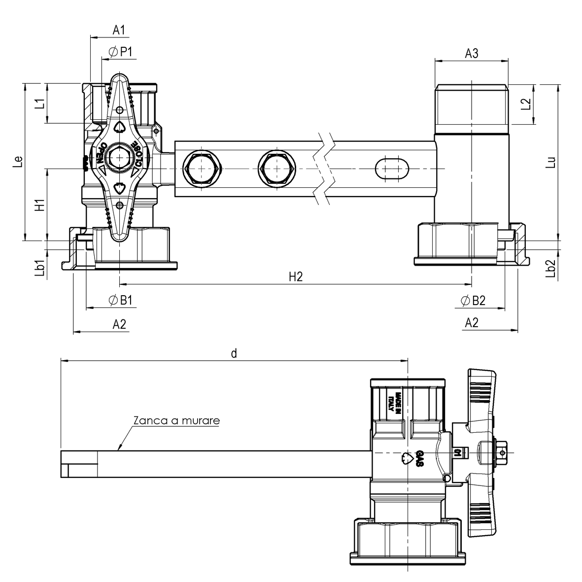
Bracket for gas meter L=250, inlet valve with yellow sealable T-handle, outlet tail with wall up fixing plate FEMALE-MOVING NUT-MALE
Application GAS
GAS BRACKETS
Gas meter brackets
Gas meter brackets
| Code | Kg | Box | Master Box | M | F | NA | NA | NA | Le | Lu | Lb1 | Lb2 | ØB1 | Combinazione | Tipo Contatore | A1 | A2 | ØB2 | L1 | L2 | H1 | NA | d | ØT | ØP1 | ØP2 | NA | A3 | Q | PN-MOP | PCP1 | PCP2 | NA | NA | NA | NA | NA | NA | NA | NA | NA | NA | cod. | H2 | Ch1 | Ch2 | Ch3 | |
|---|---|---|---|---|---|---|---|---|---|---|---|---|---|---|---|---|---|---|---|---|---|---|---|---|---|---|---|---|---|---|---|---|---|---|---|---|---|---|---|---|---|---|---|---|---|---|---|---|
| 60062000616 | 0,92 | 0,92 | 15 | 0 | 0 | 0 | 0 | 0 | 71 | 70,5 | 4 | 4 | 30 | F-Gi-M | G4 e G6 | Rp3/4 | G1.1/4 | 30 | 16,8 | 18 | 32,5 | 0 | 156,5 | 0 | 16 | 0 | 0 | G1 | 0 | 0 | 0 | 0 | 0 | 0 | 0 | 0 | 0 | 0 | 0 | 0 | 0 | 0 | 0 | 250 | 0 | 0 | 0 |
See also...
-
Bracket for gas meter L=110, inlet valve with yellow sealable T handle, outlet tail with PCP and flexible L=300 with adjustable support FEMALE MOVING NUT MALE -
Bracket for gas meter L=110, inlet valve with yellow sealable cap and outlet valve with lock DFA 651 to 685 1 PCP upstream of it, FEMALE MOVING NUT FEMALE -
Tail including welded cross piece with 2 holes and 1 slot MALE MOVING NUT -
Bracket for gas meter L=110, inlet valve with DFA lock 651 to 685, outlet tail with PCP with triangular support FEMALE MOVING NUT MALE -
Bracket for gas meter L=335, inlet valve with 2 PCPs 1 PST with yellow sealable T handle, outlet tail with PCP FEMALE MOVING NUT FEMALE