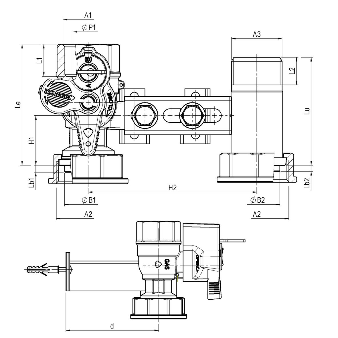
Mensola per contatore gas I=110 valvola in entrata con serratura 301÷340 cannotto in uscita con supporto e piastra F-GI-M
Articolo GAS
              
            
			
			
			MENSOLE GAS
            
Mensole per contatore gas
            
            
            
            
 
 
 
            
            Mensole per contatore gas
| Codice | Peso | Imballo | Imballo Master | M | F | NA | NA | NA | Le | Lu | Lb1 | Lb2 | ØB1 | Combinazione | Tipo Contatore | A1 | A2 | ØB2 | L1 | L2 | H1 | NA | d | ØT | ØP1 | ØP2 | NA | A3 | Q | PN-MOP | PCP1 | PCP2 | NA | NA | NA | NA | NA | NA | NA | NA | NA | NA | cod. | H2 | Ch1 | Ch2 | Ch3 | |
|---|---|---|---|---|---|---|---|---|---|---|---|---|---|---|---|---|---|---|---|---|---|---|---|---|---|---|---|---|---|---|---|---|---|---|---|---|---|---|---|---|---|---|---|---|---|---|---|---|
| 65162200619 | 1 | 1 | 15 | 0 | 0 | 0 | 0 | 0 | 77 | 70,5 | 4,5 | 4 | 31 | F-Gi-M | G4 x 110 | Rp1 | G1.1/4 | 30 | 19,1 | 19,1 | 32,5 | 0 | 86,5 | 0 | 20 | 0 | 0 | G1 | - | - | - | - | 0 | 0 | 0 | 0 | 0 | 0 | 0 | 0 | 0 | 0 | 301-340 | 110 | - | - | - | 
Vedi anche...
              
               -  
               Guarnizione in gomma NBR omologata EN 549 EN 682 per connessione gas 2 dimensioni 55x46,5x4 Guarnizione in gomma NBR omologata EN 549 EN 682 per connessione gas 2 dimensioni 55x46,5x4
-  
               Cannotto completo di traversa saldata con 1 foro e 1 asola con lamelle interne di sicurezza M Girello Cannotto completo di traversa saldata con 1 foro e 1 asola con lamelle interne di sicurezza M Girello
-  
               Mensola per contatore gas I=110 valvola in entrata con serratura 301÷340 cannotto in uscita con PCP con supporto a 1 perno F GI M Mensola per contatore gas I=110 valvola in entrata con serratura 301÷340 cannotto in uscita con PCP con supporto a 1 perno F GI M
-  
               Guarnizione in gomma NBR omologata EN 549 EN 682 per connessione gas 1. 1 / 4 dimensioni 37,5x30,5x3 Guarnizione in gomma NBR omologata EN 549 EN 682 per connessione gas 1. 1 / 4 dimensioni 37,5x30,5x3
-  
               Kit adattatore e cannotto per contatore gas da G40 I=430 a G16 I=280 con guarnizioni DN65 PN16 GI FL girevole Kit adattatore e cannotto per contatore gas da G40 I=430 a G16 I=280 con guarnizioni DN65 PN16 GI FL girevole
 
  
 
 
  
 